PLEASE READ:

ASH SUPPLY suggests customers to keep ROUTE package protection insurance @ checkout, UNCHECK to decline insurance. ASH Supply will not be held responsible for lost, stolen or damaged deliveries.

ASH SUPPLY DOES NOT FIX PLOWS OR SPREADERS ON THE PHONE

 

 

UNSURE OF WHAT PART YOU NEED? 
CALL 603-444-1154 BEFORE ORDERING TO AVOID RESTOCK FEE'S OF 20% -NO REFUNDS AFTER 10 DAYS

ANY ORDER ISSUES MUST BE REPORTED WITHIN 24 HOURS OF DELIVERY

HOURS OF OPERATION MONDAY - FRIDAY 8AM TO 4:30 PM EST.

FISHER FACTORY AUTHORIZED DISTRIBUTOR

 


ASH SUPPLY CO. uses PARTS pop-ups to enhance customer experience
by providing immediate, suggested compatible parts.

Making it easier for customers to find the right parts without the hassle of searching manually.

SCROLL DOWN FOR PARTS LIST & ORDERING - WESTERN HTS SERIES SNOWPLOW REPLACEMENT PARTS

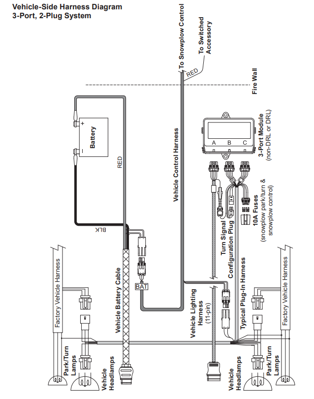
Elevate your snow plowing experience with WESTERN HTS FleetFlex Electrical components designed specifically for 7 1/2' HTS Series snowplows. Our extensive selection of genuine replacement parts ensures that your vehicle is always ready for the harshest winter conditions. Discover high-quality truck-side control harnesses, robust battery cable kits, and essential wiring solutions tailored to maximize efficiency and reliability. Each part is engineered to meet the rigorous demands of snow removal, providing seamless integration with your equipment. Browse our comprehensive parts list below to find the ideal solution for your needs and ensure peak performance all season long.

6 of 6 Items
6 of 6 Items