The 49664 - Fisher & Western Snowplows Factory Genuine Replacement Part is designed for those who demand reliability and performance in harsh winter conditions. This vehicle side straight blade 3-plug common electrical kit ensures seamless compatibility with both Fisher and Western straight 3 plug snowplows, making it an essential addition for snow removal professionals and enthusiasts alike.
Crafted to meet original specifications, this replacement part guarantees optimal functionality and efficiency, keeping your snowplow in top condition. The kit does not include controls, a peculiar light kit, or a module, focusing solely on the essential electrical components needed for a smooth operation. Compatibility with Western plows’ 3-plug straight models ensures versatility, making it an excellent choice for various snow removal applications.
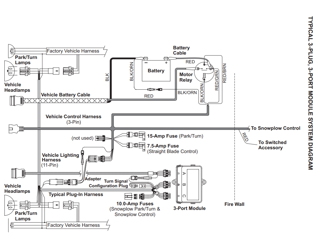
Included in the package are several key components vital for installation and operation: the 26345 control harness, 22511 battery cable, 5794K-1 motor relay, and 29047 adapter, along with a sturdy 63411 vehicle battery cable to ensure a secure connection. A plug cover and a miscellaneous hardware bag round out the kit, providing everything you need for a successful setup.
Built for durability, the 49664 replacement part is engineered to withstand the rigors of snowplowing, ensuring your equipment remains operational even in the most challenging conditions. Experience the difference of genuine replacement parts with the 49664 - Fisher & Western Snowplows 3-plug common electrical kit, and keep your snowplow running smoothly throughout the winter season. Whether you’re a contractor or a dedicated homeowner, this reliable solution is your ticket to efficient snow clearing, ready to tackle any snowstorm that comes your way.
49664 INSTALLATION INSTRUCTIONS - CLICK HERE

INSTALLATION INSTRUCTIONS - CLICK LINK BELOW
